Beschreibung
Beschreibung:
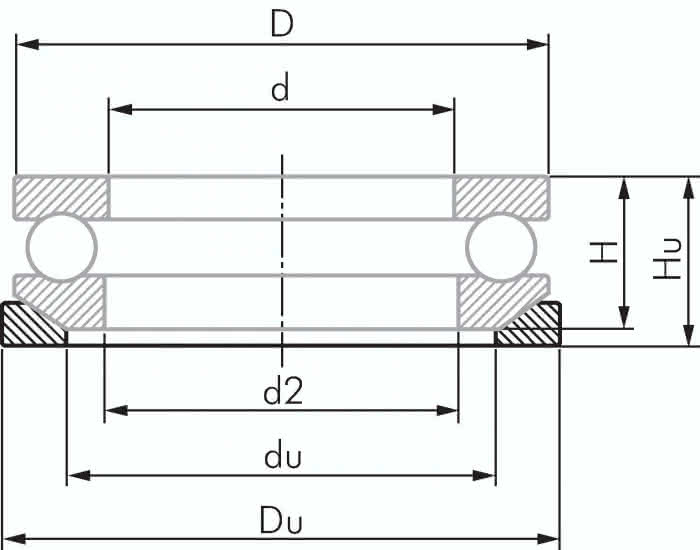
Axial Rillenkugellager können hohe Axialkräfte aufnehmen, dürfen allerdings nicht radial belastet werden.
Toleranz:
DIN 620 Normaltoleranz
Hinweis:
Bei Bedarf kugelige Unterlagscheibe hinzu bestellen, diese ist nicht im Lieferumfang des Lagers enthalten.
Hersteller:
Wir liefern ausschließlich Lager der Hersteller SKF oder FAG!
Hinweis für Ersatzbeschaffung anderer Fabrikate:
Bitte geben Sie uns den Hersteller und die genaue Lagerbezeichnung einschließlich der Nachsetzzeichen an.
Spezifikationen
für Wellendurchmesser d
60 MM
Ausführung
kugelige Unterlagscheibe
du
85 MM
Du-1
115 MM
Hu
42 MM
Gewicht
0,33 KG



