Beschreibung
Werkstoffe:
Metallteile: Stahl blank / Stahl verzinkt, Schrauben: Stahl verzinkt, Schelle: Polypropylen, Elastomereinsatz: Chloropen-Kautschuk
Anwendung:
Durch den Elastomereinsatz werden Druckstöße der Rohrleitung abgefangen. Wir empfehlen eine elastische Schlauchleitung in dem problembehafteten Rohrleitungsnetz einzusetzen.
Spezifikationen
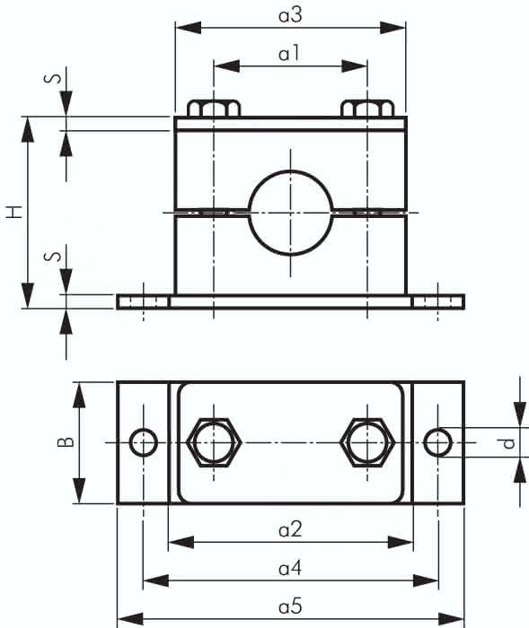
Baugröße
Baugröße 4, schwere Baureihe
Rohrdurchmesser (außen)
42 MM
Ausführung
Kunststoffschelle mit Anschweißplatte & Deckplatte
B
45 MM
a1
90,5 MM
H
110 MM
S
10 MM
a2
140 MM
a3
115 MM
Gewicht
1,3 KG



