Beschreibung
Werkstoffe:
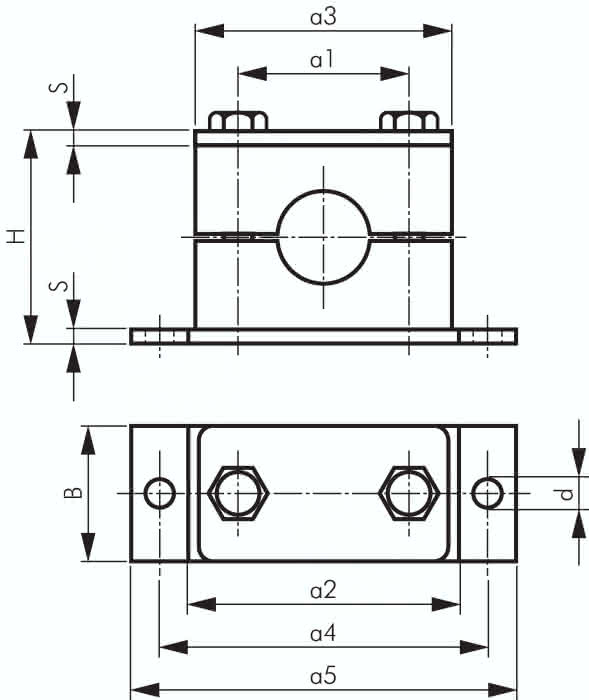
Metallteile: Stahl blank / Stahl verzinkt, Schrauben: Stahl verzinkt, Schelle: Polypropylen
Spezifikationen
Baugröße
Baugröße 4, schwere Baureihe
Rohrdurchmesser (außen)
65 MM
Ausführung
Kunststoffschelle mit verlängerter Anschweißplatte & Deckplatte
B
45 MM
a1
90,5 MM
H
110 MM
S
10 MM
a3
115 MM
a4
160 MM
a5
190 MM
d
14 MM
Gewicht
1,3 KG



