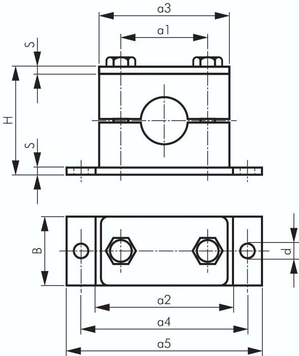
Beschreibung
Werkstoffe:
Metallteile: Stahl blank / Stahl verzinkt, Schrauben: Stahl verzinkt, Schelle: Polypropylen
Spezifikationen
Ausführung
Kunststoffschelle mit Tragschienenmuttern zum Aufbau auf C-Tragschiene
Baugröße
Baugröße 6, leichte Baureihe
Rohrdurchmesser (außen)
50,8 MM
H
72 MM
a1
66 MM
a3
86 MM
B
30 MM
Gewicht
0,095 KG



