Beschreibung
Werkstoffe:
Kopf und Fuß: Aluminium eloxiert, Zylinderrohr: Aluminium eloxiert, Kolbenstange: 1.4305, Dichtung: PUR
Temperaturbereich:
-20 bis +80 °C
Betriebsdruck:
max. 10 bar
Ausführung:
mit Magnetkolben
Zylinderschaltertyp:
D, A
Optional:
Kolbenstange mit Außengewinde -AG
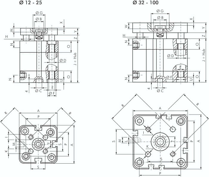
Spezifikationen
Kolbendurchmesser
25 MM
D
4,2 MM
Hub
80 MM
L
0 MM
K
5 MM
Ausführung
verdrehgesicherte Kolbenstange
Reparatursätze
NXD 25 REP
A
40 MM
B
10 MM
C
6 MM
H
6 MM
S
15,6 MM
X
1,5 MM
E
M 5
F
7,5 MM
G
14 MM
M (Durckluftanschluss)
M 5
I
M 5
J
39,5 MM
N
8,0 MM
T
8 MM
P
26 MM
O
12,75 MM
R
22 MM
W
5,0 MM
Y
8 MM
U
4,5 MM
Z
5,5 MM
Gewicht
0,44 KG





