Beschreibung
Werkstoffe:
Kopf und Fuß: Aluminium eloxiert, Zylinderrohr: Aluminium eloxiert, Kolbenstange: 1.4305, Dichtung: PUR
Temperaturbereich:
-20 bis +80 °C
Betriebsdruck:
max. 10 bar
Ausführung:
mit Magnetkolben
Zylinderschaltertyp:
D, A
Optional:
Kolbenstange mit Außengewinde -AG
Spezifikationen
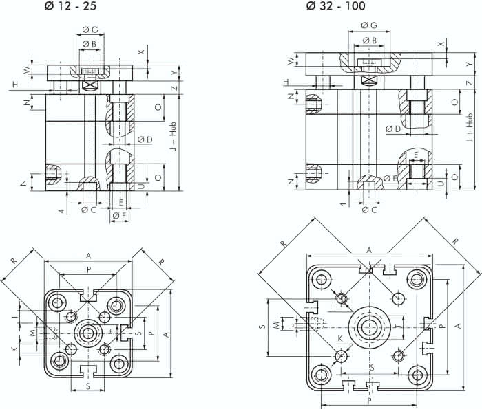
Kolbendurchmesser
16 MM
D
3,3 MM
Hub
25 MM
L
0 MM
K
3 MM
Ausführung
verdrehgesicherte Kolbenstange
Reparatursätze
NXD 16 REP
A
29 MM
B
8 MM
C
6 MM
H
5 MM
S
9,9 MM
X
1,0 MM
E
M 4
F
6,0 MM
G
9 MM
M (Durckluftanschluss)
M 5
I
M 3
J
38,0 MM
N
8,0 MM
T
6 MM
P
18 MM
O
12,25 MM
R
14 MM
W
3,8 MM
Y
6 MM
U
3,5 MM
Z
4,5 MM
Gewicht
0,145 KG





