Beschreibung
Universal-Rheinisches Kastenschloss 79
• Mit Schließkasten und schießender Falle
• Durch umlegbare Falle und geteilten Schließkasten links, rechts, einwärts und auswärts verwendbar
• Schlossriegel: 2-tourig
• Mit Wechsel
Spezifikationen
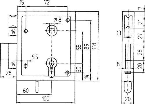
Dornmaß
60 mm
Ausführung
PZ-vorgerichtet, mit Drücker, Schild und Wechsel
Anschlagrichtung
links/rechts
Nussvierkant
8 mm






