Beschreibung
Werkstoffe:
Kopf und Fuß: Aluminium, Zylinderrohr: Aluminium eloxiert, Kolbenstange: Edelstahl (Ø 32 - 100: Stahl hartverchromt), Dichtung: NBR / PUR
Temperaturbereich:
-20 bis +80 °C
Betriebsdruck:
max. 10 bar
Ausführung:
mit Magnetkolben
Zylinderschaltertyp:
D, A
Optional:
Kolbenstange mit Außengewinde -B
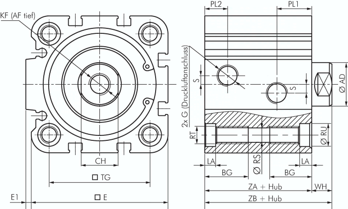
Spezifikationen
Kolbendurchmesser
63 MM
Hub
10 MM
Ausführung
Kolbenstange mit Außengewinde
Reparatursätze
SFS 63 REP
A
22 MM
AD
20 MM
S
5 MM
AF
16 MM
E
74,0 MM
KK (Kolbenstangen-Außengewinde)
M 12x1,25
G (Druckluftanschluss)
G 1/8"
CH
17 MM
RT
M 8
PL1
17,0 MM
BG
20 MM
PL2
11,5 MM
E1
3,5 MM
LA
5 MM
TG
56,5 MM
WH
8 MM
ZA
49 MM
ZB
57 MM
Gewicht
0,8 KG






