Beschreibung
Werkstoffe:
Kopf und Fuß: Aluminium, Zylinderrohr: Aluminium eloxiert, Kolbenstange: Edelstahl (Ø 32 - 100: Stahl hartverchromt), Dichtung: NBR / PUR
Temperaturbereich:
-20 bis +80 °C
Betriebsdruck:
max. 10 bar
Ausführung:
mit Magnetkolben
Zylinderschaltertyp:
D, A
Optional:
Kolbenstange mit Außengewinde -B
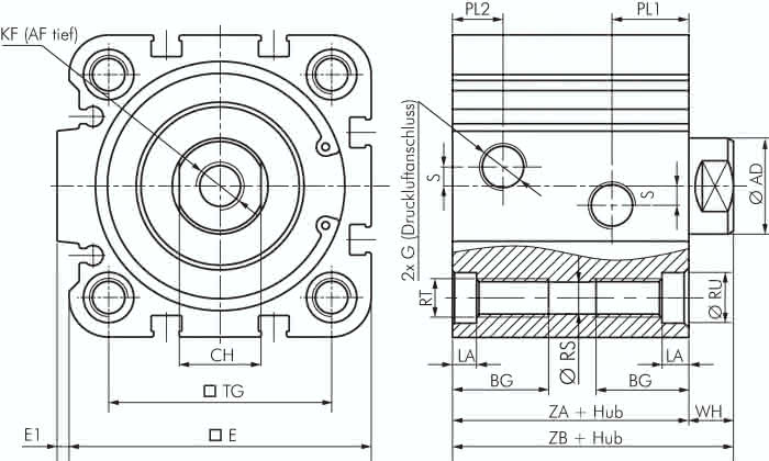
Spezifikationen
Kolbendurchmesser
40 MM
Hub
10 MM
Ausführung
Kolbenstange mit Außengewinde
Reparatursätze
SFS 40 REP
A
19 MM
AD
16 MM
S
0 MM
AF
12 MM
E
53,0 MM
KK (Kolbenstangen-Außengewinde)
M 10x1,25
G (Druckluftanschluss)
G 1/8"
CH
14 MM
RT
M 6
PL1
16,5 MM
BG
16 MM
PL2
9,5 MM
E1
2,5 MM
LA
5 MM
TG
38,0 MM
WH
7 MM
ZA
45 MM
ZB
52 MM
Gewicht
0,4 KG






