Beschreibung
Werkstoffe:
Kopf und Fuß: Aluminium, Zylinderrohr: Aluminium eloxiert, Kolbenstange: Edelstahl (Ø 32 - 100: Stahl hartverchromt), Dichtung: NBR / PUR
Temperaturbereich:
-20 bis +80 °C
Betriebsdruck:
max. 10 bar
Ausführung:
mit Magnetkolben
Zylinderschaltertyp:
D, A
Optional:
Kolbenstange mit Außengewinde -B
Spezifikationen
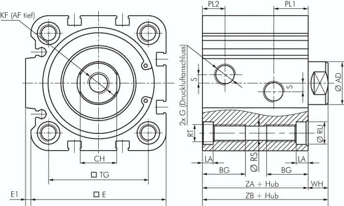
Kolbendurchmesser
25 MM
Hub
20 MM
Ausführung
Kolbenstange mit Außengewinde
Reparatursätze
SFS 25 REP
A
16 MM
AD
12 MM
S
0 MM
AF
10 MM
E
40,0 MM
KK (Kolbenstangen-Außengewinde)
M 8
G (Druckluftanschluss)
M 5
CH
10 MM
RT
M 5
PL1
17,5 MM
BG
15 MM
PL2
5,5 MM
E1
0 MM
LA
5 MM
TG
26,0 MM
WH
6 MM
ZA
39 MM
ZB
45 MM
Gewicht
0,24 KG






