Beschreibung
Verwendung:
zur Abdichtung und Schwingungsisolation von Rohrleitungen in einen Hydrauliktank
Werkstoffe:
TPE (Elastomer)
Temperaturbereich:
-40 bis +125 °C
Betriebsdruck:
nur für offene Behälter (drucklos)
Medien:
Hydrauliköle auf Mineralölbasis, Wasser
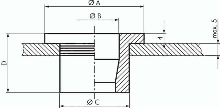
Spezifikationen
D
24 MM
für Rohrdurchmesser (außen) (B)
42 MM
A
70 MM
C
58 MM
Gewicht
0,046 KG




