Beschreibung
Werkstoffe:
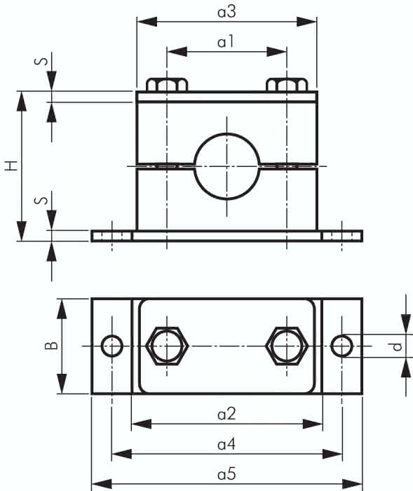
Metallteile: 1.4571, Schrauben: 1.4301, Schelle: Polypropylen
Spezifikationen
Baugröße
Baugröße 1, leichte Baureihe
Rohrdurchmesser (außen)
6 MM
Ausführung
Kunststoffschelle mit Anschweißplatte
B
30 MM
a1
20 MM
H
32 MM
S
3 MM
a2
36 MM
a3
36 MM
Gewicht
0,055 KG



