Beschreibung
Werkstoffe:
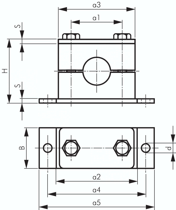
Metallteile: 1.4571, Schrauben: 1.4301, Schelle: Polypropylen
Spezifikationen
Baugröße
Baugröße 5, leichte Baureihe
Rohrdurchmesser (außen)
42 MM
Ausführung
Kunststoffschelle mit Anschweißplatte & Deckplatte
B
30 MM
a1
52 MM
H
64 MM
S
3 MM
a2
72 MM
a3
70 MM
Gewicht
0,175 KG



