Beschreibung
Werkstoffe:
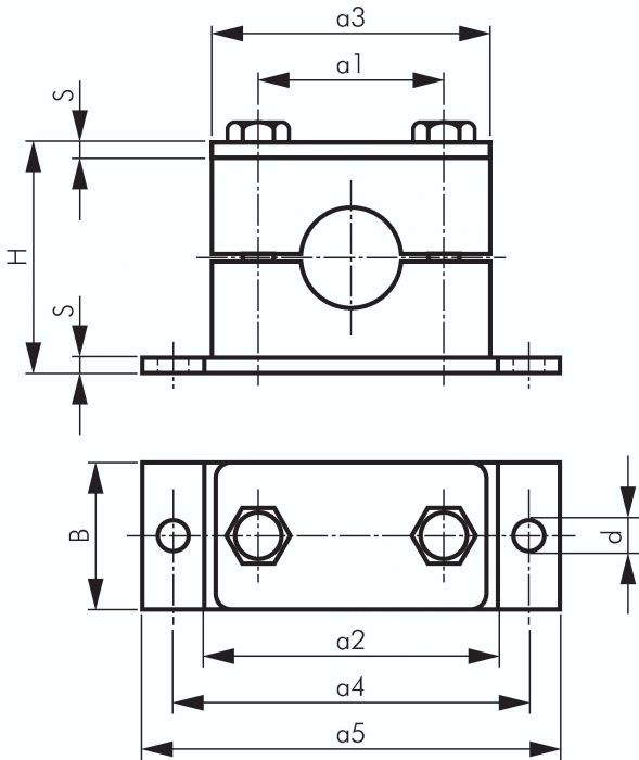
Metallteile: 1.4571, Schrauben: 1.4301, Schelle: Polypropylen
Spezifikationen
Baugröße
Baugröße 3, schwere Baureihe
Rohrdurchmesser (außen)
32 MM
Ausführung
Kunststoffschelle mit Anschweißplatte
B
30 MM
a1
60,0 MM
H
76 MM
S
8 MM
a2
100 MM
a3
85 MM
Gewicht
0,32 KG



