Beschreibung
Werkstoffe:
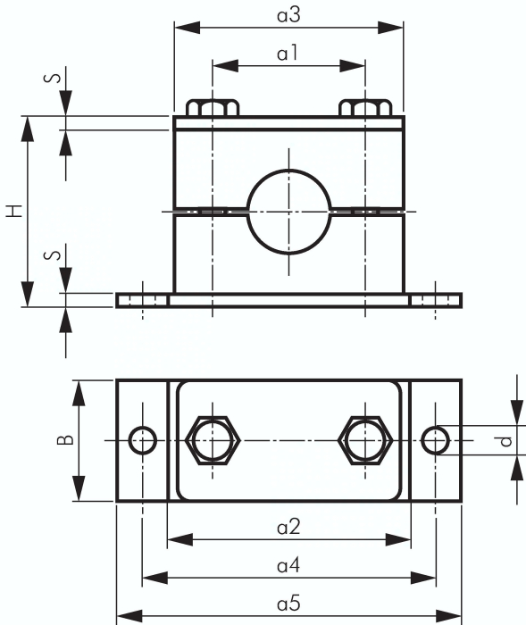
Metallteile: 1.4571, Schrauben: 1.4301, Schelle: Polypropylen
Spezifikationen
Baugröße
Baugröße 4, schwere Baureihe
Rohrdurchmesser (außen)
30 MM
Ausführung
Kunststoffschelle mit Anschweißplatte
B
45 MM
a1
90,5 MM
H
110 MM
S
10 MM
a2
140 MM
a3
115 MM
Gewicht
0,8 KG



