Beschreibung
Werkstoffe:
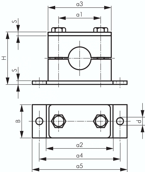
Metallteile: 1.4571, Schrauben: 1.4301, Schelle: Polypropylen
Spezifikationen
Baugröße
Baugröße 4, leichte Baureihe
Rohrdurchmesser (außen)
28 MM
Ausführung
Kunststoffschelle mit Anschweißplatte & Deckplatte
B
30 MM
a1
40 MM
H
48 MM
S
3 MM
a2
59 MM
a3
57 MM
Gewicht
0,135 KG



