Beschreibung
Werkstoffe:
Metallteile: 1.4571, Schrauben: 1.4301, Schelle: Polypropylen
Spezifikationen
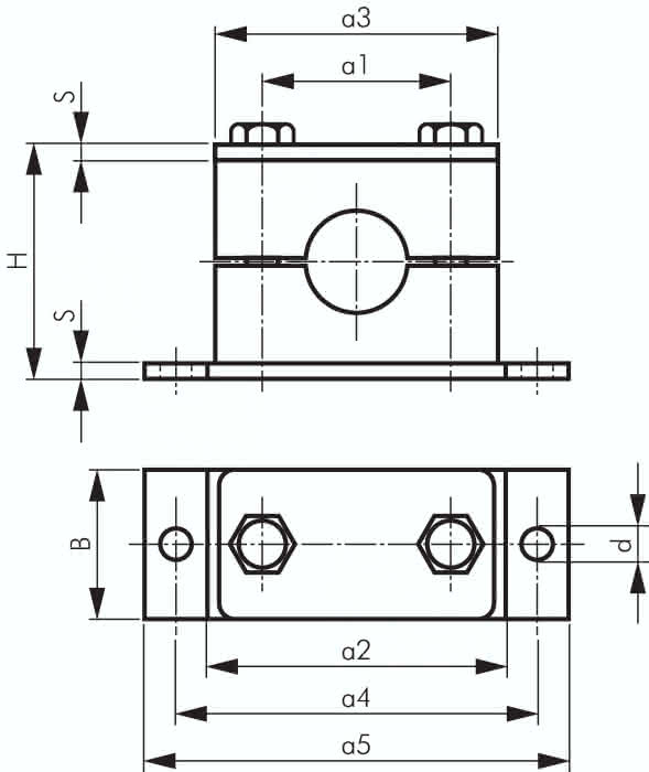
Baugröße
Baugröße 3, leichte Baureihe
Rohrdurchmesser (außen)
22 MM
Ausführung
Kunststoffschelle mit verlängerter Anschweißplatte
B
30 MM
a1
33 MM
H
41 MM
S
3 MM
a3
48 MM
a4
64 MM
a5
78 MM
d
7 MM
Gewicht
0,1 KG



