Beschreibung
Werkstoffe:
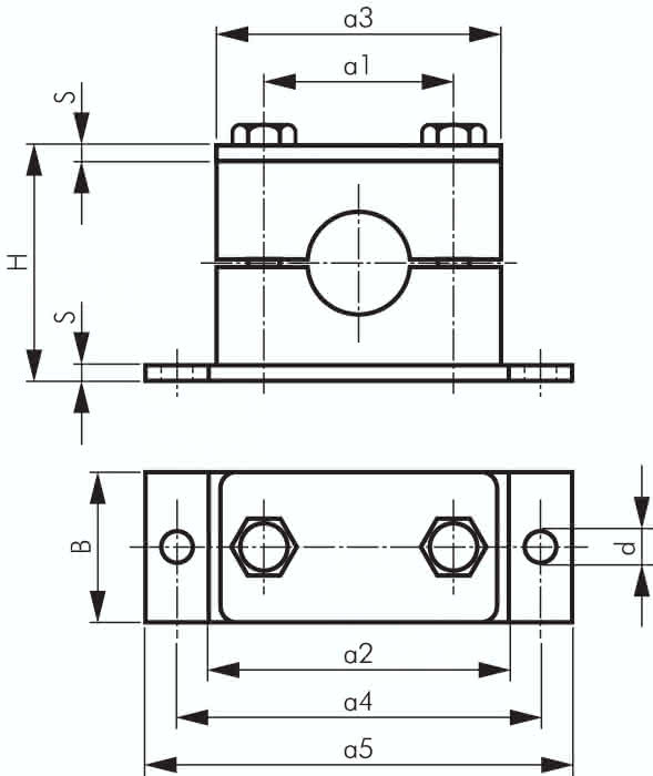
Metallteile: 1.4571, Schrauben: 1.4301, Schelle: Polypropylen
Spezifikationen
Baugröße
Baugröße 2, schwere Baureihe
Rohrdurchmesser (außen)
20 MM
Ausführung
Kunststoffschelle mit Anschweißplatte & Deckplatte
B
30 MM
a1
45,0 MM
H
64 MM
S
8 MM
a2
85 MM
a3
70 MM
Gewicht
0,4 KG



