Beschreibung
Werkstoffe:
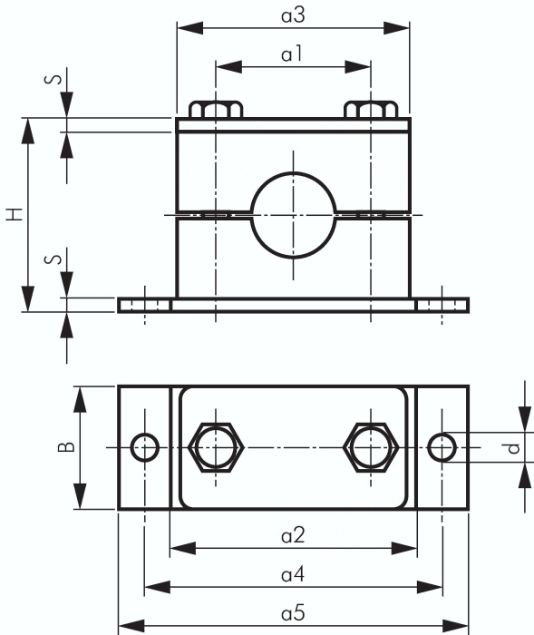
Metallteile: 1.4571, Schrauben: 1.4301, Schelle: Polypropylen
Spezifikationen
Baugröße
Baugröße 1, schwere Baureihe
Rohrdurchmesser (außen)
18 MM
Ausführung
Kunststoffschelle mit verlängerter Anschweißplatte & Deckplatte
B
30 MM
a1
33,0 MM
H
48 MM
S
8 MM
a3
55 MM
a4
85 MM
a5
113 MM
d
11 MM
Gewicht
0,38 KG



