Beschreibung
Werkstoffe:
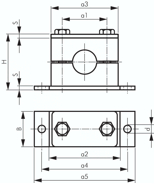
Metallteile: 1.4571, Schrauben: 1.4301, Schelle: Polypropylen
Spezifikationen
Baugröße
Baugröße 2, leichte Baureihe
Rohrdurchmesser (außen)
16 MM
Ausführung
Kunststoffschelle mit Anschweißplatte
B
30 MM
a1
26 MM
H
39 MM
S
3 MM
a2
42 MM
a3
40 MM
Gewicht
0,07 KG



