Beschreibung
Werkstoffe:
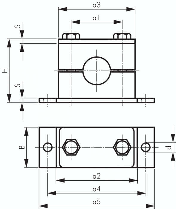
Metallteile: 1.4571, Schrauben: 1.4301, Schelle: Polypropylen
Spezifikationen
Baugröße
Baugröße 1, schwere Baureihe
Rohrdurchmesser (außen)
15 MM
Ausführung
Kunststoffschelle mit Tragschienenmuttern zum Aufbau auf C-Tragschiene
B
30 MM
a1
33,0 MM
H
48 MM
a3
55 MM
Gewicht
0,16 KG



