Beschreibung
Anwendung:
Premiumthermometer für aggressive Messstoffe in Chemie, Petrochemie und Verfahrenstechnik. Auch für Apparatebau, Lebensmittelindustrie o.ä. Die Geräte erfüllen höchste messtechnische Anforderungen in rauen Umgebungen und tolerieren auch Übertemperaturen.
Werkstoffe:
Gehäuse: 1.4301, Tauchschaft: 1.4571, Sichtscheibe: Instrumentenflachglas
Anzeigenkorrektur:
Zeiger mit Mikroverstellung
Schutzart:
IP 65
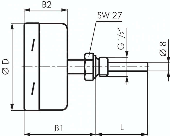
Schutzrohr-Anschluss:
G 1/2" (Schutzrohrtyp B)
Tauchschaft Ø:
8 mm
Klasse:
1
Temperaturbereich:
Umgebung: -40 bis +70 °C
Betriebsdruck am Tauchschaft:
max. 25 bar
Hinweis:
WIKA Typ A55
Spezifikationen
Gewicht
0,6 KG
Durchmesser
100 MM
Anzeigebereich
0 bis +100 GC
Tauchschaftlänge L
63 MM
Skalenteilung
1 K
Übertemperaturfest bis
200 GC
B1
83 MM
B2
50 MM




