Beschreibung
· Für ein schnelles und einfaches Verbinden von Maschinenteilen und Werkstücken
· Anwendungsgebiete: Maschinenbau, Gerätebau, Vorrichtungsbau, Messtechnik, Haushalt
· Sichere Verriegelung durch einfaches Betätigen und Lösen des Druckknopfes
Werkstoff:
Griff Thermoplast.
Druckknopf 1.4305.
Bolzen Edelstahl 1.4305.
Kugeln Edelstahl 1.4125.
Druckfeder Edelstahl 1.4310.
Ausführung:
Griff schwarzgrau.
Edelstahl blank.
Hinweis:
Kugelsperrbolzen dienen zum schnellen und einfachen Fixieren und Verbinden von Bauteilen.
Durch Drücken des Druckknopfes können die beiden Kugeln entriegelt und somit die zu verbindenden Teile abgesteckt werden. Wird der Druckknopf losgelassen, verriegeln die Kugeln die Verbindung sicher.
Scherkraft zweischnittig (F) = S A t aB max.
Bei den Angaben zur Scherkraft handelt es sich um die theoretische Bruchlast.
Es sind unverbindliche Richtwerte ohne Berücksichtigung von Sicherheitsfaktoren und unter Ausschluss jeglicher Haftung. Die angegebenen Werte dienen ausschließlich der Information und stellen keine rechtsverbindliche Zusicherung von Eigenschaften dar.
Die Belastungswerte sind in Anlehnung an die DIN 50141 rechnerisch ermittelt worden. Ob der Kugelsperrbolzen für die jeweilige Anwendung geeignet ist, muss jeder Anwender individuell ermitteln.
Unterschiedlichste Werkstoffe, an denen die Kugelsperrbolzen eingesetzt werden, Witterungsbedingungen, sowie Verschleiß können die ermittelten Werte beeinflussen.
Vorteile:
Verbindungen über große Distanzen möglich.
Sie sind sehr flexibel einsetzbar, da die Länge des Bolzens nicht mit der Bauteilbreite abgestimmt werden muss.
Auf Anfrage:
Andere Bolzenlängen.
Zubehör:
Aufnahmebuchsen für Kugelsperrbolzen mit Kopfarretierung 03425
Sicherungs-Spiralkabel 03199
Halteseile mit Öse 03199
Schlüsselring 03199
Spezifikationen
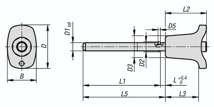
Ausführung 1
mit Pilzgriff
D
26,4
Material Grundkörper
Edelstahl
Benennung
Kugelsperrbolzen
L
3,0
D1
5
B
17,6
D2
5,50
D3
13,2
L1
97,0
L3
20,2
D5
1,5
L5
100
Aufnahme- bohrung H11
5
Scherkraft zweischnittig max. kN
10
L2
25,0
Gewicht
0,034 KG




