Beschreibung
· Für ein schnelles und einfaches Verbinden von Maschinenteilen und Werkstücken
· Anwendungsgebiete: Maschinenbau, Gerätebau, Vorrichtungsbau, Messtechnik, Haushalt
· Einfache Handhabung
Werkstoff:
Stahl.
Ausführung:
verzinkt.
Hinweis:
Steckbolzen dienen zum schnellen und einfachen Fixieren und Verbinden von Teilen und Werkstücken.
Scherkraft zweischnittig (F) = S A t aB max.
Montage:
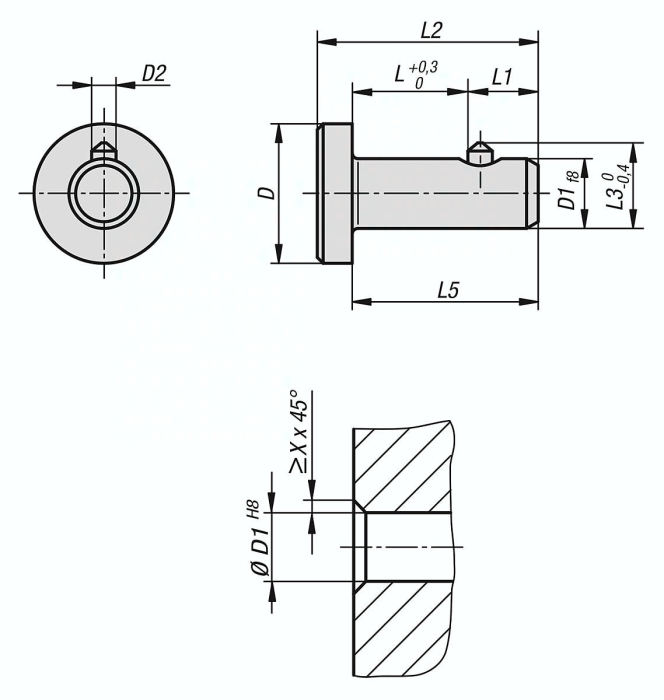
Im Gegenstück Maß X als Einführhilfe beachten.
Zeichnungshinweis:
Fase für Gegenstück Xmin. x 45°
Spezifikationen
Ausführung 1
mit Flachkopf
D
16
Material Grundkörper
Stahl
Benennung
Steckbolzen
L
25
D1
8
D2
2,1
X
1,1
L1
6
L3
9,4
L5
31
Scherkraft zweischnittig max. kN
22
L2
35
Gewicht
0,018 KG





