Beschreibung
· Zum Ausrichten von Vorrichtungen und Spannzeugen
· Gehärtet
Werkstoff:
Einsatzstahl.
Ausführung:
einsatzgehärtet, brüniert und geschliffen.
Hinweis:
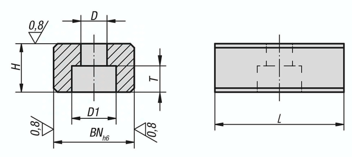
Flache Nutensteine dienen zum Ausrichten von Vorrichtungen und Spannzeugen auf Maschinentischen mit T-Nuten nach DIN 650. Sie werden in die Richtnuten der Vorrichtungen eingeschraubt. Flache Nutensteine sind dann geeignet, wenn die Vorrichtungen auf Maschinen mit gleicher Nutbreite kommen.
Spezifikationen
Ausführung 1
flach
D
6,6
Material Grundkörper
Einsatzstahl
Benennung
Nutenstein
L
22
D1
11
BN=Nutbreite
20
H
10
für Schrauben DIN 84 oder 912
M6x16
T
6,3
Gewicht
0,029 KG




