Beschreibung
· Einfaches und prozesssicheres Einschrauben
· Einschraubbar in verschiedenen Materialien
· Beidseitig einsetzbar
· Einbautiefe kann exakt auf die vorhandenen Bauteile abgestimmt werden (mit Gewindesicherung)
Werkstoff:
Edelstahl 1.4305.
Gewindesicherung Nylon.
Ausführung:
blank.
Hinweis:
Aufnahmebuchsen für Kugelsperrbolzen eignen sich zur einfachen und schnellen Aufnahme von Kugelsperrbolzen und Steckbolzen.
Vorteile:
- Zentriermöglichkeit der Aufnahmebuchsen ist über den Zentrieransatz gegeben.
- einfaches und prozesssicheres Einschrauben.
- einschraubbar in verschiedenste Materialien.
- beidseitig einsetzbar.
- durch die Gewindesicherung kann die Einbautiefe exakt auf die vorhandenen Bauteile abgestimmt werden, somit ist kein Anschlagen notwendig.
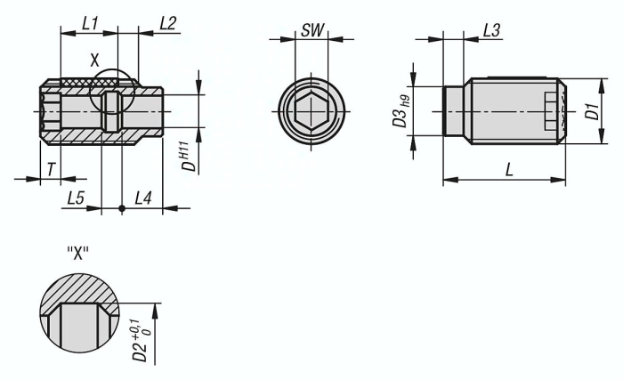
Zeichnungshinweis:
L2 = ca. zwei Gewindegänge
Spezifikationen
Ausführung 1
mit Gewindesicherung
D
12
Material Grundkörper
Edelstahl
Benennung
Aufnahmebuchse
L
35
D1
M24
D2
15,0
D3
18
L1
14
L3
6
L5
7
T
6
L4
8
SW
12
Gewicht
0,06 KG





