Beschreibung
· Für ein schnelles und einfaches Verbinden von Maschinenteilen und Werkstücken
· Anwendungsgebiete: Maschinenbau, Gerätebau, Vorrichtungsbau, Messtechnik, Haushalt
· Sichere Verriegelung durch einfaches Betätigen und Lösen des Druckknopfes
· Selbstsichernd
· Hohe Scherfestigkeit
Werkstoff:
Stahlteile Edelstahl.
Ausführung:
blank.
Hinweis:
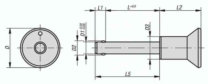
Kugelsperrbolzen dienen zum schnellen und einfachen Fixieren und Verbinden von Teilen und Werkstücken.
Durch Drücken des Druckknopfes können die beiden Kugeln entriegelt und somit die zu verbindenden Teile abgesteckt werden. Wird der Druckknopf losgelassen, verriegeln die Kugeln sicher und unlösbar die Verbindung.
Korrosionsbeständig. Befestigungsmöglichkeit für Halteseil.
Scherkraft zweischnittig (F) = S A t aB max.
Bei den Angaben zur Scherkraft handelt es sich um die theoretische Bruchlast.
Es sind unverbindliche Richtwerte ohne Berücksichtigung von Sicherheitsfaktoren und unter Ausschluss jeglicher Haftung. Die angegebenen Werte dienen ausschließlich der Information und stellen keine rechtsverbindliche Zusicherung von Eigenschaften dar.
Die Belastungswerte sind in Anlehnung an die DIN 50141 rechnerisch ermittelt worden. Ob der Kugelsperrbolzen für die jeweilige Anwendung geeignet ist, muss jeder Anwender individuell ermitteln.
Unterschiedlichste Werkstoffe, an denen die Kugelsperrbolzen eingesetzt werden, Witterungsbedingungen, sowie Verschleiß können die ermittelten Werte beeinflussen.
Zubehör:
Sicherungs-Spiralkabel 03199-10200
Halteseile mit Öse 03199-....
Schlüsselring 03199-15/19/23
Aufnahmebuchsen für Kugelsperrbolzen 03197....
Spezifikationen
Ausführung 1
mit Pilzgriff
Material Grundkörper
Edelstahl
Benennung
Kugelsperrbolzen
Gewicht
0,04 KG




