Beschreibung
· Arretierbolzen (Rastbolzen) ermöglichen ein Feststellen und Einrasten
· Schnelles Positionieren und Fixieren
· Hohe Stabilität
· Hohe Wiederholgenauigkeit
Werkstoff:
Stahl, Griffkugel Thermoplast.
Ausführung:
gehärtet und geschliffen, Griffkugel schwarzgrau.
Hinweis:
Die Arretierbolzen mit Buchsen bilden eine optimale Kombination zum schnellen Positionieren und Fixieren. Durch die präzise Ausführung des Arretierbolzens und der Buchse wird eine hohe Wiederholgenauigkeit beim Zusammenstecken zweier Elemente erreicht.
Technischer Hinweis siehe Montage- und Einbauanleitung.
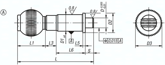
Spezifikationen
Ausführung 1
ohne Rastnut
D
12
Material Grundkörper
Stahl
Benennung
Präzisions-Arretierbolzen
L
91,0
Form
A
D1
20
D2
23
D3
32
L1
33,0
Federkraft Anfang F1 ca. N
15
L3
13
Federkraft Ende F2 ca. N
35
L6
35
Hub S
10
L5
3,0
Innengewinde Griffkugel
M8
Gewicht
0,135 KG




