Beschreibung
· Mechanische Betätigung
· Geschliffener Aufnahmedurchmesser
· Schnelle Positionierung durch Steckbolzen
Werkstoff:
Vergütungsstahl.
Ausführung:
vernickelt.
Hinweis:
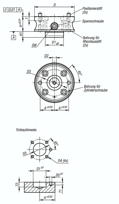
Mit der Aufnahme können Spannzangen sowie für die Aussenspannung, als auch für die Innenspannung aufgenommen werden.
Mit der seitlichen Spannschraube wird der Aufnahme betätigt und das Werkstück am Umfang gespannt.
Die Aufnahme kann mit einem Zylinderstift gegen Verdrehen gesichert werden.
Die Spannzangen werden mit 2 Zylinderstiften auf der Aufnahme positioniert.
Spezifikationen
Ausführung 1
für Spannzange
für Schrauben
M8
D
90
Material Grundkörper
Stahl
Benennung
Aufnahme
D1
42
A
30
D2
M10
D3
60
H
40
H1
14
Anzieh- drehmoment max. Nm
25
D4
M8x1,25
D5
8
T2
15
T
10
T1
8
SW
8
F1=max. Außen- spannung (kN)
7,0
F2=max. Innen- spannung (kN)
7,0
Gewicht
1,8 KG



