Beschreibung
· Montagehilfe für Sperrriegel und Arretierbolzen
Werkstoff:
Aluminium 3.2163.
Ausführung:
schwarz eloxiert.
Hinweis:
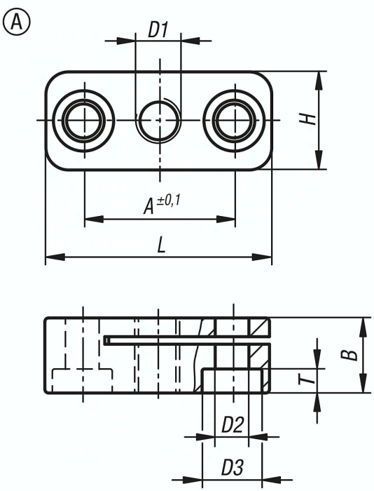
Haltestücke stellen eine Montagehilfe für Sperriegel und Arretierbolzen dar und erweitern deren Anwendungsbereich. Verwendbar mit Zylinderschrauben DIN 912 / ISO 4762.
Spezifikationen
Material Grundkörper
Aluminium
Benennung
Haltestück
L
37
Form
A
D1
M10
A
24
B
12
D2
5,5
D3
10
H
18
T
3,9
Gewicht
0,014 KG





