Beschreibung
· Für alle Arten von Verriegelungen und Fixierungen einsetzbar
· Durch Drehen des Riegels um 180° wird die Verriegelung aufgehoben
· 180°-Anschlag verhindert erneutes Ausfahren des Arretierstiftes
· Rastkerbe für das Halten der Stellung
· Arretierstift gehärtet
Werkstoff:
Stahl, Festigkeitsklasse 5.8.
Ausführung:
brüniert. Arretierstift gehärtet und geschliffen.
Hinweis:
Sperrriegel werden eingesetzt, wenn der Arretierstift zeitweise nicht vorstehen darf. Durch Drehen des Riegels um 180° wird der Arretierstift eingezogen.
Eine Rastkerbe bewirkt, dass der Riegel in dieser Stellung gehalten wird.
Durch einen 180°-Anschlag wird das Überspringen der Rastkerbe und somit ein erneutes Ausfahren des Arretierstiftes verhindert.
Mit Auswahl der Anschlagseite wird die Drehrichtung des Riegels definiert.
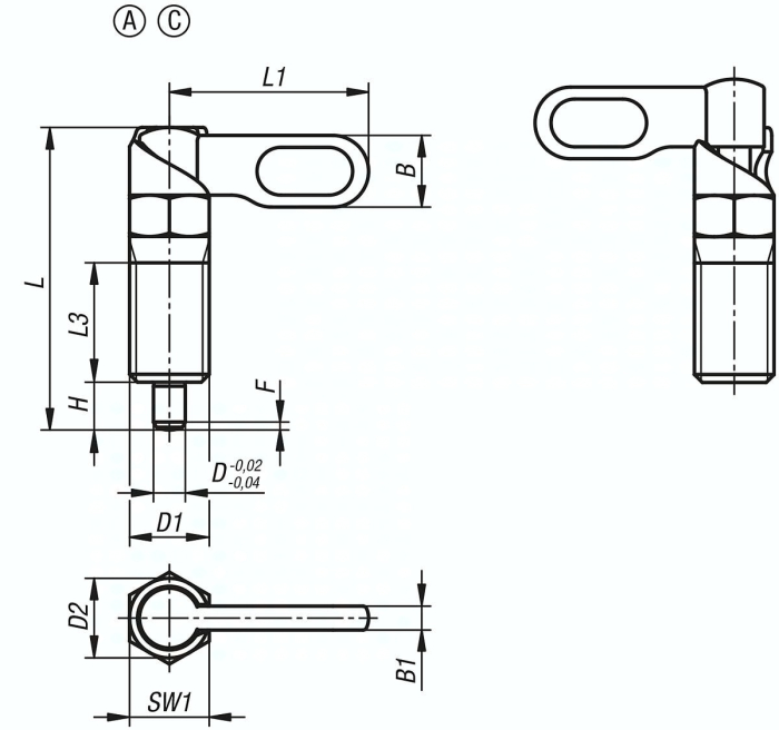
Zeichnungshinweis:
1) Anschlag links
2) Anschlag rechts
Spezifikationen
Ausführung 1
mit Anschlag
D
6
Material Grundkörper
Stahl
Benennung
Sperrriegel
L
47,8
Form
A
Ausführung 2
Rechts
D1
M12
B
10,8
D2
12
H
8
L1
30
Federkraft Anfang F1 ca. N
8
L3
19
Federkraft Ende F2 ca. N
15
B1
3,6
SW1
12
F x 30°
1,8
Gewicht
0,032 KG





