Beschreibung
· Für alle Arten von Verriegelungen und Fixierungen einsetzbar
· Durch Drehen des Riegels um 180° wird die Verriegelung aufgehoben
· Rastkerbe für das Halten der Stellung
Werkstoff:
Edelstahl 1.4305.
Ausführung:
blank. Arretierstift geschliffen, nicht gehärtet.
Hinweis:
Sperrriegel werden eingesetzt, wenn der Arretierstift zeitweise nicht vorstehen darf. Durch Drehen des Riegels um 180° wird der Arretierstift eingezogen.
Eine Rastkerbe bewirkt, dass der Riegel in dieser Stellung gehalten wird.
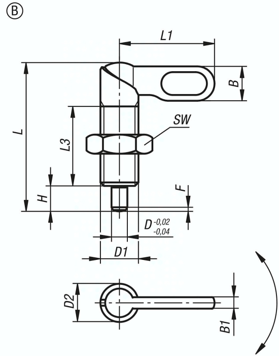
Spezifikationen
D
8
Material Grundkörper
Edelstahl
Benennung
Sperrriegel
L
46,8
Form
B
D1
M12
B
10,8
D2
12
H
8
L1
30
Federkraft Anfang F1 ca. N
8
L3
25
Federkraft Ende F2 ca. N
15
B1
3,6
F x 30°
2,3
SW
19
Gewicht
0,039 KG




