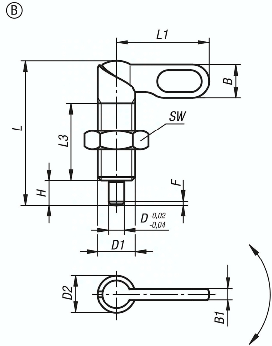
Beschreibung
· Für alle Arten von Verriegelungen und Fixierungen einsetzbar
· Durch Drehen des Riegels um 180° wird die Verriegelung aufgehoben
· Rastkerbe für das Halten der Stellung
Werkstoff:
Edelstahl 1.4305.
Ausführung:
blank. Arretierstift geschliffen, nicht gehärtet.
Hinweis:
Sperrriegel werden eingesetzt, wenn der Arretierstift zeitweise nicht vorstehen darf. Durch Drehen des Riegels um 180° wird der Arretierstift eingezogen.
Eine Rastkerbe bewirkt, dass der Riegel in dieser Stellung gehalten wird.
Spezifikationen
D
5
Material Grundkörper
Edelstahl
Benennung
Sperrriegel
L
38,0
Form
B
D1
M10x1
B
9,0
D2
10
H
6
L1
25
Federkraft Anfang F1 ca. N
8
L3
20
Federkraft Ende F2 ca. N
14
B1
3,0
F x 30°
1,3
SW
17
Gewicht
0,025 KG




