Anmelden
Norelem

03099-0610201

Sperrriegel


Ausgabe: 1 StückEAN: 4059495028842Artikelnummer: K1919572

03099-0610201 Sperrriegel

Ausgabe:
1 STK


Beschreibung
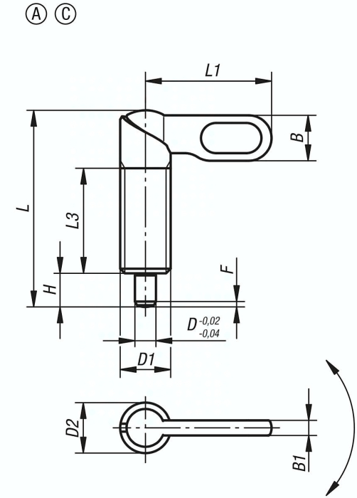
· Für alle Arten von Verriegelungen und Fixierungen einsetzbar · Durch Drehen des Riegels um 180° wird die Verriegelung aufgehoben · Rastkerbe für das Halten der Stellung · Arretierstift gehärtet Werkstoff: Stahl, Festigkeitsklasse 5.8. Ausführung: brüniert. Arretierstift gehärtet und geschliffen. Hinweis: Sperrriegel werden eingesetzt, wenn der Arretierstift zeitweise nicht vorstehen darf. Durch Drehen des Riegels um 180° wird der Arretierstift eingezogen. Eine Rastkerbe bewirkt, dass der Riegel in dieser Stellung gehalten wird. Zeichnungshinweis: Form A: Griff unbeschichtet, ohne Mutter Form C: Griff pulverbeschichtet, ohne Mutter
Spezifikationen
Material Grundkörper

Stahl

Benennung

Sperrriegel

Gewicht

0,14 KG