Beschreibung
· Arretierbolzen (Rastbolzen) ermöglichen ein Feststellen und Einrasten
· Anwendungsgebiete: Maschinenbau, Gerätebau, Vorrichtungsbau, Messtechnik, Haushalt
· Hohe Stabilität
· Material: Stahl oder Edelstahl
Werkstoff:
Stahlausführung:
Gewindehülse und Arretierstift Automatenstahl.
Edelstahlausführung:
Arretierstift gehärtet:
Gewindehülse 1.4305.
Arretierstift 1.4034.
Arretierstift nicht gehärtet:
Gewindehülse 1.4305.
Arretierstift 1.4305.
Pilzgriff Thermoplast schwarzgrau.
Ausführung:
Stahlausführung:
Gewindehülse brüniert.
Arretierstift gehärtet, geschliffen und brüniert.
Edelstahlausführung:
Gewindehülse blank.
Arretierstift gehärtet, geschliffen und blank.
Arretierstift nicht gehärtet, geschliffen und blank.
Hinweis:
Arretierbolzen werden dort eingesetzt, wo eine Veränderung der Arretierstellung durch Querkräfte verhindert werden soll. Erst nach handbetätigter Ausrückung des Bolzens kann in eine andere Arretierstellung gefahren werden. Soll die Ausrückung über längere Zeit erfolgen und ein Zurückspringen des Arretierstiftes vermieden werden, so ist die Form C bzw. Form D zu verwenden.
Auf Anfrage:
Sonderausführungen.
Zubehör:
Distanzringe 03089
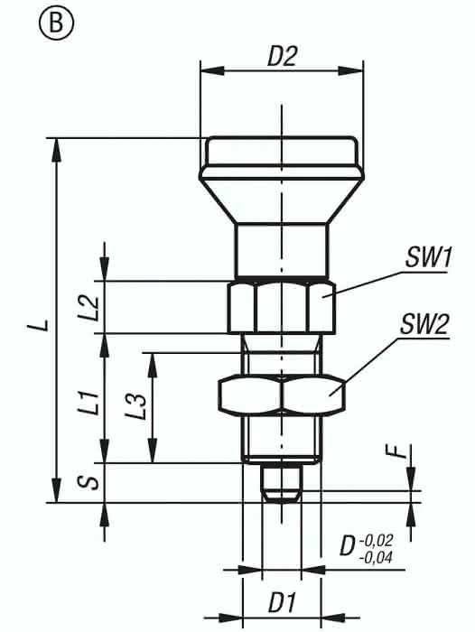
Spezifikationen
Ausführung 1
ohne Rastnut
Größe
3
Gewicht
0,085 KG
Form
B
L
74
D
8
Material Grundkörper
Stahl
Benennung
Arretierbolzen
L1
26
Hub S
8
Arretierstift
gehärtet
D1
5/8-11
L3
23
D2
33
F x 30°
2,3
Federkraft Anfang F1 ca. N
15
Federkraft Ende F2 ca. N
35
SW2
15/16
SW1
19
L2
10





