Beschreibung
· Arretierbolzen (Rastbolzen) ermöglichen ein Feststellen und Einrasten
· Anwendungsgebiete: Maschinenbau, Gerätebau, Vorrichtungsbau, Messtechnik, Haushalt
· Hohe Stabilität
· Material: Stahl oder Edelstahl
Werkstoff:
Stahlausführung:
Gewindehülse und Arretierstift Automatenstahl.
Edelstahlausführung:
Arretierstift gehärtet:
Gewindehülse 1.4305.
Arretierstift 1.4034.
Arretierstift nicht gehärtet:
Gewindehülse 1.4305.
Arretierstift 1.4305.
Pilzgriff Thermoplast schwarzgrau.
Ausführung:
Stahlausführung:
Gewindehülse brüniert.
Arretierstift gehärtet, geschliffen und brüniert.
Edelstahlausführung:
Gewindehülse blank.
Arretierstift gehärtet, geschliffen und blank.
Arretierstift nicht gehärtet, geschliffen und blank.
Hinweis:
Arretierbolzen werden dort eingesetzt, wo eine Veränderung der Arretierstellung durch Querkräfte verhindert werden soll. Erst nach handbetätigter Ausrückung des Bolzens kann in eine andere Arretierstellung gefahren werden. Soll die Ausrückung über längere Zeit erfolgen und ein Zurückspringen des Arretierstiftes vermieden werden, so ist die Form C bzw. Form D zu verwenden.
Auf Anfrage:
Sonderausführungen.
Zubehör:
Distanzringe 03089
Spezifikationen
Ausführung 1
ohne Rastnut
Gewicht
0,145 KG
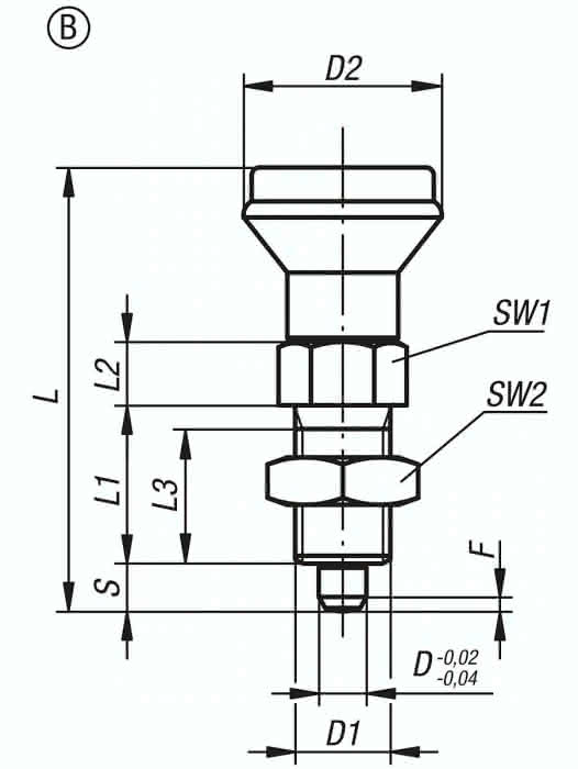
Form
B
L
80
D
10
Material Grundkörper
Edelstahl
Benennung
Arretierbolzen
L1
28
Hub S
10
Arretierstift
gehärtet
D1
M20x1,5
L3
25
D2
33
F x 30°
2,8
Federkraft Anfang F1 ca. N
15
Federkraft Ende F2 ca. N
34
SW2
30
SW1
22
L2
12





