Beschreibung
· Arretierbolzen (Rastbolzen) ermöglichen ein Feststellen und Einrasten
· Anwendungsgebiete: Maschinenbau, Gerätebau, Vorrichtungsbau, Messtechnik, Haushalt
· Hohe Stabilität
· Ideal für beengte Platzverhältnisse
· Material: Stahl oder Edelstahl
Werkstoff:
Stahlausführung:
Arretierstift gehärtet:
Festigkeitsklasse 5.8.
Edelstahlausführung:
Arretierstift nicht gehärtet:
Gewindehülse 1.4305.
Arretierstift 1.4305.
Pilzgriff Thermoplast schwarzgrau oder verkehrsrot RAL3020.
Ausführung:
Stahlausführung:
Arretierstift gehärtet, geschliffen und brüniert.
Edelstahlausführung:
Arretierstift nicht gehärtet, geschliffen und blank.
Hinweis:
Arretierbolzen werden dort eingesetzt, wo eine Veränderung der Arretierstellung durch Querkräfte verhindert werden soll. Erst nach handbetätigter Ausrückung des Bolzens kann in eine andere Arretierstellung gefahren werden. Soll die Ausrückung über längere Zeit erfolgen und ein Zurückspringen des Arretierstiftes vermieden werden, so ist die Form C bzw. Form D zu verwenden.
Auf Anfrage:
Sonderausführungen.
Spezifikationen
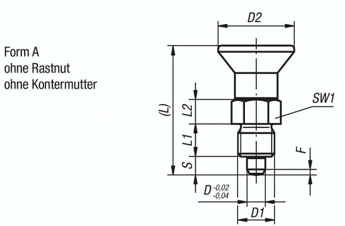
Ausführung 1
ohne Rastnut
D
6
Material Grundkörper
Stahl
Benennung
Arretierbolzen
L
41,7
Form
A
Oberfläche Grundkörper
gehärtet
D1
M12x1,5
Farbe Komponente
verkehrsrot RAL 3020
D2
25
L1
10
Federkraft Anfang F1 ca. N
6
Federkraft Ende F2 ca. N
14
Hub S
6,0
SW1
14
F x 30°
1,8
L2
8
Gewicht
0,025 KG




