Beschreibung
· Arretierbolzen (Rastbolzen) ermöglichen ein Feststellen und Einrasten
· Anwendungsgebiete: Maschinenbau, Gerätebau, Vorrichtungsbau, Messtechnik, Haushalt
· Hohe Stabilität
· Leichte Handhabung
· Material: Stahl oder Edelstahl
Werkstoff:
Stahlausführung:
Gewindehülse und Arretierstift Automatenstahl.
Edelstahlausführung:
Arretierstift gehärtet:
Gewindehülse 1.4305.
Arretierstift 1.4034.
Arretierstift nicht gehärtet:
Gewindehülse 1.4305.
Arretierstift 1.4305.
Pilzgriff Thermoplast schwarzgrau oder verkehrsrot RAL3020.
Ausführung:
Stahlausführung:
Gewindehülse brüniert.
Arretierstift gehärtet, geschliffen und brüniert.
Edelstahlausführung:
Gewindehülse blank.
Arretierstift gehärtet, geschliffen und blank.
Arretierstift nicht gehärtet, geschliffen und blank.
Hinweis:
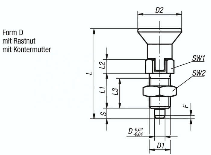
Arretierbolzen werden dort eingesetzt, wo eine Veränderung der Arretierstellung durch Querkräfte verhindert werden soll. Erst nach handbetätigter Ausrückung des Bolzens kann in eine andere Arretierstellung gefahren werden. Soll die Ausrückung über längere Zeit erfolgen und ein Zurückspringen des Arretierstiftes vermieden werden, so ist die Form C bzw. Form D zu verwenden.
Auf Anfrage:
Sonderausführungen.
Spezifikationen
Ausführung 1
mit Rastnut
Gewicht
0,022 KG
Form
D
L
43,5
D
5
Material Grundkörper
Edelstahl
Benennung
Arretierbolzen
Farbe Komponente
verkehrsrot RAL 3020
L1
17
Oberfläche Grundkörper
ungehärtet
Stahlschlüssel
1,4305
Hub S
5,0
D1
3/8-24
L3
15
D2
21
F x 30°
1,3
Federkraft Anfang F1 ca. N
5,0
Federkraft Ende F2 ca. N
12
SW2
9/16
SW1
13
L2
7




