Beschreibung
· Arretierbolzen (Rastbolzen) ermöglichen ein Feststellen und Einrasten
· Anwendungsgebiete: Maschinenbau, Gerätebau, Vorrichtungsbau, Messtechnik, Haushalt
· Hohe Stabilität
· Durch die Gewindesicherung kann die Einbautiefe ohne zusätzlichen Anschlag eingestellt werden
· Material: Stahl oder Edelstahl
Werkstoff:
Stahlausführung:
Arretierstift gehärtet:
Gewindehülse und Arretierstift Automatenstahl.
Edelstahlausführung:
Arretierstift gehärtet:
Gewindehülse 1.4305.
Arretierstift 1.4034.
Pilzgriff Thermoplast schwarzgrau.
Gewindesicherung Polyamid blau.
Ausführung:
Stahlausführung:
Arretierstift gehärtet, geschliffen und brüniert.
Edelstahlausführung:
Arretierstift gehärtet, geschliffen und blank.
Hinweis:
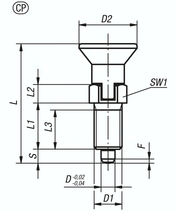
Arretierbolzen werden dort eingesetzt, wo eine Veränderung der Arretierstellung durch Querkräfte verhindert werden soll. Erst nach handbetätigter Ausrückung des Bolzens kann in eine andere Arretierstellung gefahren werden. Soll die Ausrückung über längere Zeit erfolgen und ein Zurückspringen des Arretierstiftes vermieden werden, so ist die Form CP zu verwenden.
Durch die Gewindesicherung kann die Einbautiefe exakt auf die vorhandenen Bauteile abgestimmt werden, somit ist kein Anschlagen notwendig.
Die Gewindesicherung ist eine klemmende Polyamid Beschichtung, die punktuell (Fleck) aufgetragen ist.
Auf Anfrage:
Sonderausführungen.
Spezifikationen
Ausführung 1
mit Rastnut
Material Grundkörper
Edelstahl
Benennung
Arretierbolzen
Gewicht
0,027 KG




