Beschreibung
· Arretierbolzen (Rastbolzen) ermöglichen ein Feststellen und Einrasten
· Anwendungsgebiete: Maschinenbau, Gerätebau, Vorrichtungsbau, Messtechnik, Haushalt
· Hohe Stabilität
· Leichte Handhabung
· Material: Stahl oder Edelstahl
Werkstoff:
Stahlausführung:
Gewindehülse und Arretierstift Automatenstahl.
Edelstahlausführung:
Arretierstift gehärtet:
Gewindehülse 1.4305.
Arretierstift 1.4034.
Arretierstift nicht gehärtet:
Gewindehülse 1.4305.
Arretierstift 1.4305.
Pilzgriff Thermoplast schwarzgrau oder verkehrsrot RAL3020.
Ausführung:
Stahlausführung:
Gewindehülse brüniert.
Arretierstift gehärtet, geschliffen und brüniert.
Edelstahlausführung:
Gewindehülse blank.
Arretierstift gehärtet, geschliffen und blank.
Arretierstift nicht gehärtet, geschliffen und blank.
Hinweis:
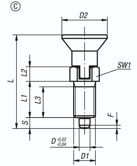
Arretierbolzen werden dort eingesetzt, wo eine Veränderung der Arretierstellung durch Querkräfte verhindert werden soll. Erst nach handbetätigter Ausrückung des Bolzens kann in eine andere Arretierstellung gefahren werden. Soll die Ausrückung über längere Zeit erfolgen und ein Zurückspringen des Arretierstiftes vermieden werden, so ist die Form C bzw. Form D zu verwenden.
Auf Anfrage:
Sonderausführungen.
Spezifikationen
Ausführung 1
mit Rastnut
Material Grundkörper
Edelstahl
Benennung
Arretierbolzen
Oberfläche Grundkörper
gehärtet
D1
3/4-10
Farbe Komponente
schwarzgrau RAL 7021
D2
33
Stahlschlüssel
1,4034
L1
28
Federkraft Anfang F1 ca. N
15,0
L3
23
Federkraft Ende F2 ca. N
40
Hub S
10,0
SW1
22
F x 30°
2,8
D
10
Form
C
Gewicht
0,105 KG
L
74,0
L2
12




