Beschreibung
· Arretierbolzen (Rastbolzen) ermöglichen ein Feststellen und Einrasten
· Anwendungsgebiete: Maschinenbau, Gerätebau, Vorrichtungsbau, Messtechnik, Haushalt
· Hohe Stabilität
· Edelstahl 1.4305, 1.4034
Werkstoff:
Arretierstift gehärtet:
Gewindehülse 1.4305.
Arretierstift 1.4034.
Arretierstift nicht gehärtet:
Gewindehülse 1.4305.
Arretierstift 1.4305.
Pilzgriff 1.4305, elektrolytisch poliert.
Ausführung:
blank, Arretierstift geschliffen.
Hinweis:
Arretierbolzen werden dort eingesetzt, wo eine Veränderung der Arretierstellung durch Querkräfte verhindert werden soll. Erst nach handbetätigter Ausrückung des Bolzens kann in eine andere Arretierstellung gefahren werden. Soll die Ausrückung über längere Zeit erfolgen und ein Zurückspringen des Arretierstiftes vermieden werden, so ist die Form C bzw. Form D zu verwenden.
Auf Anfrage:
Sonderausführungen.
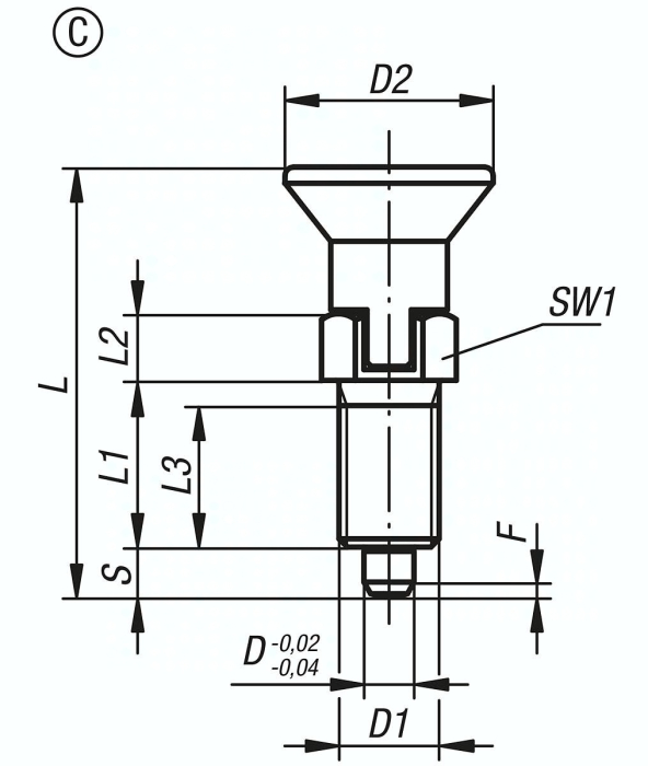
Spezifikationen
Ausführung 1
mit Rastnut
L
52,0
Material Grundkörper
Edelstahl
Benennung
Arretierbolzen
Form
C
L1
20
Stahlschlüssel
1,4034
L2
8
Arretierstift
gehärtet
D
6
D1
1/2-13
D2
25
Hub S
6,0
SW1
14
F x 30°
1,8
Federkraft Anfang F1 ca. N
6,0
Federkraft Ende F2 ca. N
14
L3
17
Gewicht
0,055 KG




