Beschreibung
· Arretierbolzen (Rastbolzen) ermöglichen ein Feststellen und Einrasten
· Anwendungsgebiete: Maschinenbau, Gerätebau, Vorrichtungsbau, Messtechnik, Haushalt
· Hohe Stabilität
· Edelstahl 1.4305, 1.4034, 1.4404
Arretierbolzen werden eingesetzt, wenn eine Veränderung der Arretierstellung durch Querkräfte verhindert werden soll.
Beispiele hierfür sind Längen- und Höhenarretierung sowie Positionsarretierung im Maschinen-, Geräte-, Möbel- und Sonderfahrzeugbau.
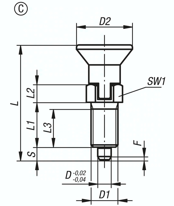
Erst nach handbetätigter Ausrückung des Bolzens kann in eine andere Arretierstellung gefahren werden. Soll die Ausrückung über längere Zeit erfolgen und ein Zurückspringen des Arretierstiftes vermieden werden, so ist die Form C bzw. Form D zu verwenden.
Die verwendeten Werkstoffe ermöglichen einen vielfältigen Einsatz bis hin zu Anwendungen mit höchsten Anforderungen an die Korossionsbeständigkeit.
Werkstoff:
Edelstahlausführung A2:
Gewindehülse und Pilzgriff 1.4305.
Arretierstift gehärtet 1.4034.
Arretierstift nicht gehärtet 1.4305.
Druckfeder 1.4310.
Edelstahlausführung A4:
Gewindehülse, Pilzgriff und Arretierstift 1.4404.
Druckfeder 1.4401 oder 1.4571.
Ausführung:
Edelstahlausführung A2:
Gewindehülse blank.
Pilzgriff blank.
Arretierstift gehärtet oder nicht gehärtet, geschliffen und blank.
Edelstahlausführung A4:
Gewindehülse blank.
Pilzgriff blank oder gestrahlt.
Arretierstift geschliffen, chemisch vernickelt oder blank.
Auf Anfrage:
Sonderausführungen.
Zubehör:
Distanzringe 03089
Spezifikationen
Ausführung 1
mit Rastnut
Material Grundkörper
Edelstahl
Benennung
Arretierbolzen
Form
C
Stahlschlüssel
1,4034
Arretierstift
gehärtet
L1
20
L3
17
L2
8
D
6
D1
M12x1,5
F x 30°
1,8
L
51,7
D2
25
Federkraft Anfang F1 ca. N
6,0
Federkraft Ende F2 ca. N
14,0
SW1
14
Hub S
6,0
Gewicht
0,055 KG




