Beschreibung
· Schnelles Indexieren, Positionieren und Fixieren von Bauteilen
· Anwendungsgebiete: Maschinenbau, Anlagenbau, Handwerk, Haushalt
· Universell einsetzbar
· Einfache Montage
· mit Gewindesicherung: Sicherheit bei Vibrationen, mehrfach verwendbar
Werkstoff:
Hülse Edelstahl 1.4305.
Druckstift aus POM.
Feder Edelstahl 1.4310.
Gewindesicherung Nylon.
Ausführung:
blank.
Hinweis:
Dieses Druckstück wird vorwiegend als Abdrückstift und als gefederter Anschlag im Werkzeugbau verwendet.
Die Betätigung des Druckstiftes erfolgt in axialer Richtung.
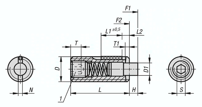
Zeichnungshinweis:
L2 = ca. zwei Gewindegänge
1) Gewindestift eingeklebt
Spezifikationen
Ausführung 1
Standard Federkraft
Gewicht
0,0094 KG
H
3,0
L
22
S
3,0
D
M10
N
1,6
T
3,5
Material Grundkörper
Edelstahl
Benennung
Federndes Druckstück
L1
9
D1
4,0
Einschraub- drehmoment ca. Nm
1,30
Ausschraubdrehmoment ca. Nm
0,60
Bestellnummer Montageschlüssel
03040-910
Federkraft Anfang F1 ca. N
8
Federkraft Ende F2 ca. N
31
T1
1,4





