Beschreibung
· Schnelles Indexieren, Positionieren und Fixieren von Bauteilen
· Anwendungsgebiete: Maschinenbau, Anlagenbau, Handwerk, Haushalt
· Universell einsetzbar
· Einfache Montage
Werkstoff:
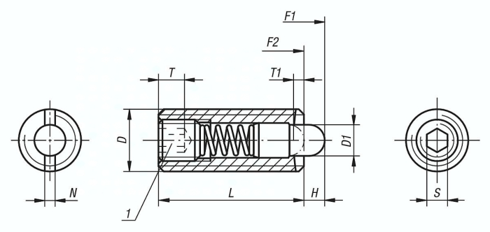
Hülse Edelstahl 1.4305.
Druckstift aus POM.
Feder Edelstahl 1.4310.
Ausführung:
blank.
Hinweis:
Nachfolgend sind die entsprechenden Zoll-Federnde Druckstücke aufgeführt, mit denen die Montageschlüssel verwendet werden können.
M3 = 6-32
M4 = 8-32 and 8-36
M5 = 10-32
M6 = 1/4-20
M8 = 5/16-18
M10 = 3/8-16
M12 = 5/32
M16 = 5/8-11 Bei den Zollartikeln sind die Formen D und S in Zoll angegeben, alle anderen Formen in mm.
Zeichnungshinweis:
1) Gewindestift eingeklebt
Spezifikationen
Gewicht
0,0025 KG
H
2,5
L
20
S
5/64
D
1/4-20
N
1,0
T
2,5
Material Grundkörper
Edelstahl
Benennung
Federndes Druckstück
D1
2,7
Bestellnummer Montageschlüssel
03040-906
Federkraft Anfang F1 ca. N
6
Federkraft Ende F2 ca. N
17
T1
1,0




