Beschreibung
· Schnelles Indexieren, Positionieren und Fixieren von Bauteilen
· Anwendungsgebiete: Maschinenbau, Anlagenbau, Handwerk, Haushalt
· Universell einsetzbar
· Einfache Montage
Werkstoff:
Hülse Edelstahl 1.4305.
Druckstift aus POM.
Feder Edelstahl 1.4310.
Ausführung:
blank.
Hinweis:
Dieses Druckstück wird vorwiegend als Abdrückstift und als gefederter Anschlag im Werkzeugbau verwendet.
Die Betätigung des Druckstiftes erfolgt in axialer Richtung.
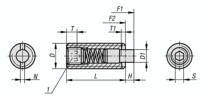
Zeichnungshinweis:
1) Gewindestift eingeklebt
Spezifikationen
Ausführung 1
Standard Federkraft
Gewicht
0,014 KG
H
4,0
L
28
S
4,0
D
M12
N
2,0
T
5,0
Material Grundkörper
Edelstahl
Benennung
Federndes Druckstück
D1
6,0
Bestellnummer Montageschlüssel
03040-912
Federkraft Anfang F1 ca. N
10
Federkraft Ende F2 ca. N
47
T1
2,0





