Beschreibung
· Schnelles Indexieren, Positionieren und Fixieren von Bauteilen
· Anwendungsgebiete: Maschinenbau, Anlagenbau, Handwerk, Haushalt
· Universell einsetzbar
· Einfache Montage
· Druckstift gehärtet
Werkstoff:
Hülse Stahl Festigkeitsklasse 5.8.
Druckstift aus Stahl.
Feder Federstahl Kl. D.
Ausführung:
brüniert. Druckstift gehärtet.
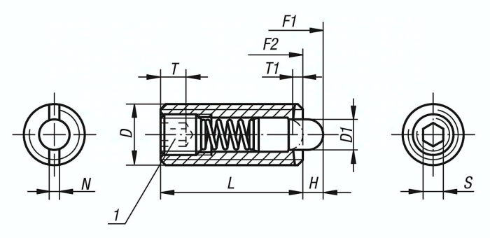
Zeichnungshinweis:
1) Gewindestift eingeklebt
Spezifikationen
Gewicht
0,0018 KG
H
2,3
L
18
S
1,5
D
M5
N
0,8
T
2,0
Material Grundkörper
Stahl
Benennung
Federndes Druckstück
D1
2,4
Bestellnummer Montageschlüssel
03040-905
Federkraft Anfang F1 ca. N
6,0
Federkraft Ende F2 ca. N
20
T1
0,8




