Beschreibung
· Schnelles Indexieren, Positionieren und Fixieren von Bauteilen
· Anwendungsgebiete: Maschinenbau, Anlagenbau, Handwerk, Haushalt
· Einfache Montage
· Kugel gehärtet
Werkstoff:
Hülse Stahl Festigkeitsklasse 5.8.
Kugel aus Stahl.
Feder Federstahl Kl. D.
Ausführung:
brüniert. Kugel gehärtet.
Hinweis:
Bei den Zollartikeln sind die Formen D und S in Zoll angegeben, alle anderen Formen in mm.
Spezifikationen
Gewicht
0,0038 KG
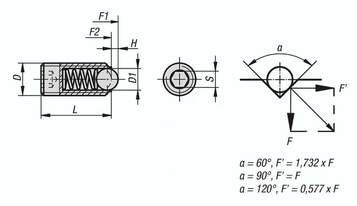
H
1,5
L
18
S
5/32
D
5/16-18
Material Grundkörper
Stahl
Benennung
Federndes Druckstück
D1
5,0
Federkraft Anfang F1 ca. N
47
Federkraft Ende F2 ca. N
73





