Beschreibung
· Schnelles Indexieren, Positionieren und Fixieren von Bauteilen
· Anwendungsgebiete: Maschinenbau, Anlagenbau, Handwerk, Haushalt
· Universell einsetzbar und einfach montierbar
· Kugel gehärtet
· mit Gewindesicherung: Sicherheit bei Vibrationen, mehrfach verwendbar
Werkstoff:
Hülse 1.4305.
Kugel 1.4034.
Feder 1.4310.
Gewindesicherung Nylon.
Ausführung:
blank. Kugel gehärtet.
Hinweis:
Bei den Zollartikeln ist Form D in Zoll angegeben, alle anderen Formen in mm.
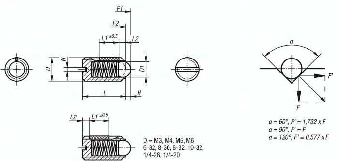
Zeichnungshinweis:
L2 = ca. zwei Gewindegänge
Spezifikationen
Ausführung 1
mit Gewindesicherung
Material Grundkörper
Edelstahl
Benennung
Federndes Druckstück
D
1/4-20
D1
3,5
H
1,0
L1
7
Ausschraubdrehmoment ca. Nm
0,21
Einschraub- drehmoment ca. Nm
0,43
Federkraft Anfang F1 ca. N
28
N
1,0
Federkraft Ende F2 ca. N
40
L
14
Gewicht
0,0019 KG




