Beschreibung
· Einfache Montage
· Hohe Stabilität
· Gehärtet und brüniert
Werkstoff:
Stahl.
Ausführung:
gehärtet und brüniert.
Spezifikationen
Material Grundkörper
Automatenstahl
Benennung
Fuß
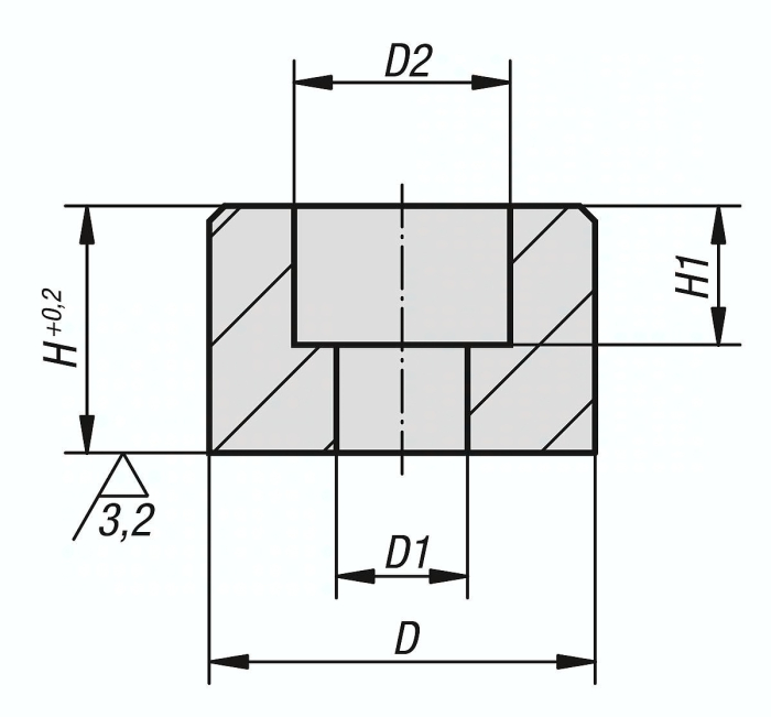
D
20
D1
6,6
D2
11
H
12
H1
7,0
Gewicht
0,023 KG


Automatenstahl
Fuß
20
6,6
11
12
7,0
0,023 KG