Beschreibung
· Dienen als Auflage, Anschläge und Druckstücke
· Anwendungsgebiete: Maschinenbau, Vorrichtungsbau, Montage
· Kugel gegen Verdrehen gesichert
Werkstoff:
Kugel Stahl, Kugelpfanne Vergütungsstahl.
Ausführung:
Kugel gehärtet, Kugelpfanne phosphatiert.
Hinweis:
Die Pendelauflagen dienen als Anschläge, Auflagen und Druckstücke im Vorrichtungsbau.
Die Auflagefläche positioniert sich nach Kraftentlastung wieder in die Ausgangsposition.
Kugel gegen Verdrehen gesichert.
Spezifikationen
Ausführung 1
selbsttätig rückschwenkend
Material Grundkörper
Stahl
Benennung
Pendelauflage
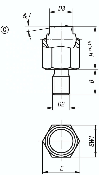
Form
C
B
9
D2
M6
D3
7,0
H
13
E
11,5
Belastbarkeit max. kN (nur bei statischer Belastung)
8
Kugel-Ø
9
SW1
10
Gewicht
0,0078 KG




